CHOOSE YOUR LANGUAGE: ENGLISH | Chinese
 
 
Product Catalog
 
Product Catalog
Applications
 
Contact us
Free Service Hotline
4006-099-066
Tel:+86-510-83760999
Fax:+86-510- 83621022
               +86-510- 83762288
   Web:http://www.wuxingp.com
  Email:ngp@wuxingp.com
 
Product Introduction
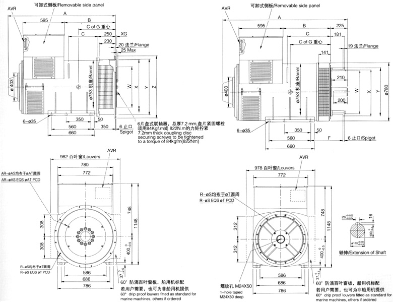
DL6发电机安装尺寸
DL6外形图 Dimensions DL6电气数据 Electricity data
 
尺寸
Dimensions
铁芯 Core
A
B
C
Cof G
DL6C
1548
726
405
590
DL6D
600
DL6E
610
DL6F
1649
826
464
625
尺寸
Dimensions
铁芯 Core
A
B
C
F
Cof G
DL6C
1688
640
570
446
590
DL6D
600
DL6E
610
DL6F
1789
741
630
625
 
法兰式过渡接套
Flange Adaptors
SAE
R
S
T
X
Y
Z
1/2
12
14
619.5
559
584.1
810
0
16
14
679.5
632
647.6
810
00
16
14
851.0
772
787.3
883
法兰式过渡接套
Flange Adaptors
SAE
R
S
T
W
X
Y
0
16
14
679.5
621
647.6
711
1/2
12
14
619.1
568
584.1
648
00
16
14
851
768
787.3
882
   
盘片式联轴器
Disc Couplings
SAE
XG
AR
AS
AT
W
24
0
12
20.7
692.0
733.3
21
0
12
16.7
641.3
673.02
18
15.87
6
16.7
543.0
571.42
14
25.4
8
13.5
438.1
466.64
 
    
     
Introduction | Culture | Certification | Quality Control | Technological Process | Equipment | Feedback
Copyright © 2012 Wuxi New Great Power Electromotor Co.,Ltd. All Rights Reserved.
Address:No. 19 Huichang Rd, Huishan Econimic Development Zone, Wuxi City  Zip:214177
Web:http://www.wuxingp.com Email:ngp@wuxingp.com 【You are Visitors】

The Wuxi Networks: Juntong.net
SU ICP BEI:11042217-1