| Free Service Hotline
|
|
4006-099-066 |
|
Tel:+86-510-83760999 |
|
Fax:+86-510- 83621022
+86-510- 83762288 |
|
|
Web:http://www.wuxingp.com |
|
|
Email:ngp@wuxingp.com |
|
|
 |
|
 |
| Product Introduction |
| |
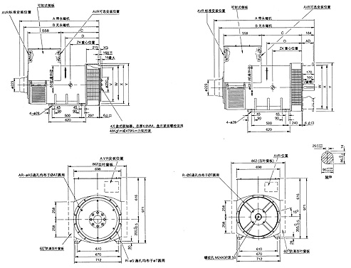
| DL5发电机安装尺寸 |
|
| DL5外形图 Dimensions (点击放大) |
|
 |
| |
|
尺寸
Dimensions
|
|
铁芯 Core
|
Cof G
|
A
|
B
|
C
|
D
|
|
DL5C
|
555
|
1337
|
1266
|
642
|
568
|
|
DL5D
|
575
|
1337
|
1266
|
642
|
568
|
|
DL5E
|
595
|
1337
|
1266
|
642
|
568
|
|
DL5F
|
620
|
1412
|
1341
|
717
|
643
|
|
|
尺寸
Dimensions
|
|
机座 Core
|
Cof G
|
A
|
B
|
C
|
D
|
|
DL5C
|
498
|
1464
|
1393
|
585
|
511
|
|
DL5D
|
518
|
1464
|
1393
|
585
|
511
|
|
DL5E
|
538
|
1464
|
1393
|
585
|
511
|
|
DL5F
|
568
|
1539
|
1468
|
660
|
586
|
|
|
|
|
法兰式过渡接套
Flange Adaptors
|
|
SAE
|
R
|
S
|
T
|
N
|
W
|
X
|
Y
|
|
00
|
12
|
14
|
850.9
|
16
|
772
|
787.3
|
882
|
|
0
|
12
|
14
|
679.5
|
16
|
632
|
647.6
|
711
|
|
1/2
|
12
|
14
|
619.1
|
12
|
568
|
584.1
|
700
|
|
1
|
12
|
12.7
|
530.2
|
12
|
496
|
511.1
|
700
|
|
|
法兰式过渡接套
Flange Adaptors
|
|
SAE
|
R
|
S
|
T
|
W
|
X
|
Y
|
AD
|
|
1
|
12
|
12.7
|
530,2
|
496
|
511.1
|
553
|
170
|
|
1/2
|
12
|
14
|
619,1
|
569
|
584.1
|
648
|
150
|
|
0
|
16
|
14
|
679,5
|
634
|
647.6
|
711
|
170
|
|
00
|
16
|
14
|
850,9
|
772
|
787.3
|
882
|
170
|
|
12V150
|
12
|
14.5
|
625.0
|
589
|
604.9
|
660
|
162
|
|
| |
|
盘片式联轴器
Disc Couplings |
| S.A.E |
XG |
AR |
AS |
AT |
V |
| 14 |
25.4 |
8 |
13.5 |
438.1 |
466.6 |
| 18 |
15.87 |
6 |
16.7 |
543.0 |
571.4 |
| 21 |
0 |
12 |
16.7 |
641.3 |
673.0 |
|
|
|  |
|
|