| Free Service Hotline
|
|
4006-099-066 |
|
Tel:+86-510-83760999 |
|
Fax:+86-510- 83621022
+86-510- 83762288 |
|
|
Web:http://www.wuxingp.com |
|
|
Email:ngp@wuxingp.com |
|
|
 |
|
 |
| Product Introduction |
| |
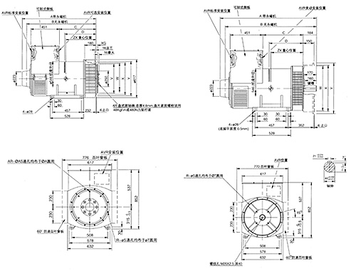
| DL3发电机安装尺寸 |
| DL3外形图 Dimensions (点击放大) |
|
 |
| |
|
|
尺寸
|
|
Core
|
A
|
B
|
C
|
E
|
Cof G
|
|
SAE1
|
DL3 C
|
817.8
|
754.8
|
274,3
|
554
|
365
|
|
DL3 D
|
817.8
|
754.8
|
274,3
|
554
|
375
|
|
DL3 E
|
932.8
|
869.8
|
389,3
|
554
|
390
|
|
DL3 F
|
932.8
|
869.8
|
389,3
|
554
|
415
|
|
DL3 G
|
982.8
|
919.8
|
439,3
|
554
|
435
|
|
DL3 H
|
1022.8
|
959.8
|
479,3
|
554
|
455
|
|
SAE2&3
|
DL3 C
|
803.5
|
740.5
|
260
|
544
|
353
|
|
DL3 D
|
803.5
|
740.5
|
260
|
544
|
363
|
|
DL3 E
|
918.5
|
855.5
|
375
|
544
|
378
|
|
DL3 F
|
918.5
|
855.5
|
375
|
544
|
403
|
|
DL3 G
|
968.5
|
908.5
|
425
|
544
|
423
|
|
DL3 H
|
1008.5
|
945.5
|
465
|
544
|
443
|
|
|
尺寸
|
|
Croe
|
Cof G
|
A
|
B
|
C
|
|
DL3 C
|
420
|
909.5
|
846.5
|
215
|
|
DL3 D
|
430
|
909.5
|
846.5
|
215
|
|
DL3 E
|
445
|
1024.5
|
961.5
|
330
|
|
DL3 F
|
475
|
1024.5
|
961.5
|
330
|
|
DL3 G
|
490
|
1074.5
|
1011.5
|
380
|
|
DL3 H
|
510
|
1114.5
|
1051.5
|
420
|
|
|
|
|
盘片式联轴器
|
|
S.A.E
|
XG
|
AR
|
AS
|
AT
|
V
|
|
10
|
53,98
|
8
|
10,3
|
295,3
|
314,2
|
|
11,5
|
39,68
|
8
|
10,3
|
333,3
|
352,3
|
|
14
|
25,40
|
8
|
13,5
|
438,2
|
466,6
|
|
|
法兰式过渡接套
|
|
SAE
|
R
|
S
|
T
|
W
|
X
|
|
1
|
12
|
12,7
|
530,2
|
511.1
|
553
|
|
2
|
12
|
11
|
466,7
|
447.6
|
490
|
|
3
|
12
|
11
|
428,6
|
409.5
|
451
|
|
| |
|
|
法兰式过渡接套
|
|
SAE
|
D
|
R
|
S
|
T
|
W
|
X
|
Y
|
|
1
|
216,3
|
12
|
12,7
|
530,2
|
511,1
|
553
|
580
|
|
2
|
202
|
12
|
11
|
466,7
|
447,6
|
490
|
530
|
|
3
|
202
|
12
|
11
|
428,6
|
409,5
|
451
|
530
|
|
|
|  |
|
|