| Free Service Hotline
|
|
4006-099-066 |
|
Tel:+86-510-83760999 |
|
Fax:+86-510- 83621022
+86-510- 83762288 |
|
|
Web:http://www.wuxingp.com |
|
|
Email:ngp@wuxingp.com |
|
|
 |
|
 |
| Product Introduction |
| |
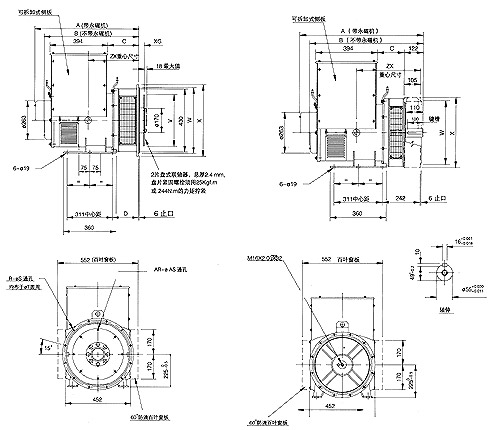
| DL2发电机安装尺寸 |
| DL2外形图 Dimensions (点击放大) |
|
 |
| |
|
|
尺寸
Dimensions
|
|
机座号Core
|
A
|
B
|
C
|
ZX
|
|
SAE1
|
DL2C
|
724,3
|
661,3
|
224,3
|
325
|
|
DL2D
|
724,3
|
661,3
|
224,3
|
335
|
|
DL2E
|
814,3
|
751,3
|
314,3
|
350
|
|
DL2F
|
814,3
|
751,3
|
314,3
|
360
|
|
DL2G
|
859,3
|
796,3
|
359,3
|
375
|
|
SAE2,3&4
|
DL2C
|
710
|
647
|
210
|
310
|
|
DL2D
|
710
|
647
|
210
|
320
|
|
DL2E
|
800
|
737
|
300
|
335
|
|
DL2F
|
800
|
737
|
300
|
345
|
|
DL2G
|
845
|
782
|
345
|
360
|
|
|
尺寸
Dimensions
|
|
机座号 Core
|
C of G
|
A
|
B
|
C
|
|
DL2C
|
370
|
792
|
729
|
170
|
|
DL2D
|
380
|
792
|
729
|
170
|
|
DL2E
|
395
|
882
|
819
|
260
|
|
DL2F
|
405
|
882
|
819
|
260
|
|
DL2G
|
420
|
927
|
864
|
305
|
|
|
|
|
法兰式过渡接套
Flange Adaptors
|
|
S.A.E
|
D
|
R
|
S
|
T
|
W
|
X
|
|
1
|
191,3
|
12
|
12,7
|
530,2
|
511,1
|
553
|
|
2
|
177
|
12
|
11
|
466,7
|
447,6
|
490
|
|
3
|
177
|
12
|
11
|
428,6
|
409,5
|
451
|
|
4
|
177
|
12
|
11
|
381
|
361,9
|
403
|
|
|
法兰式过渡接套
Flang Adaptors
|
|
S.A.E
|
R
|
S
|
T
|
W
|
X
|
|
1
|
12
|
12,7
|
530,2
|
511.11
|
553
|
|
2
|
12
|
11
|
466,7
|
447.6
|
490
|
|
3
|
12
|
11
|
428,6
|
409.5
|
451
|
|
4
|
12
|
11
|
381,0
|
361.9
|
403
|
|
5
|
8
|
11
|
333,3
|
314.3
|
356
|
|
| |
|
|
盘片式联轴器
Disc Couplings
|
|
S.A.E
|
XG
|
AR
|
AS
|
AT
|
V
|
|
8
|
69,9
|
6
|
10,3
|
244,4
|
263,4
|
|
10
|
53,98
|
8
|
10,3
|
295,3
|
314,2
|
|
11,5
|
39,68
|
8
|
10,3
|
333,3
|
352,3
|
|
14
|
25,40
|
8
|
13,5
|
438,2
|
466,6
|
|
|  |
|
|