CHOOSE YOUR LANGUAGE: ENGLISH | Chinese
 
 
Product Catalog
 
Product Catalog
Applications
 
Contact us
Free Service Hotline
4006-099-066
Tel:+86-510-83760999
Fax:+86-510- 83621022
               +86-510- 83762288
   Web:http://www.wuxingp.com
  Email:ngp@wuxingp.com
 
Product Introduction
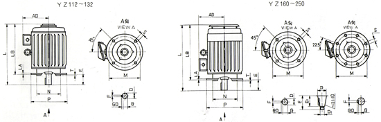
6.IM3011 and IM3013 Vertical Flange-Mounted Motor Without Foot YZ112-250

6.IM3011 and IM3013 Vertical Flange-Mounted Motor Without Foot YZ112-250

mm 

Frame
Mounting Dimension & Tolerance
Overall Dimension
Flange symbol
M
N
P
LA
T
S
Screw
D
D1
E
E1
Key
key way
L
LB
AD
LA
Dimension
Tolerance
Dimension
Tolerance
Diamesion
Amount
Dimension
Tolerance
Dimension
Tolerance
F(h9)
GD
F(N9)
G
Dimension
Tolerance
Dimension
Tolerance
Dimension
Tolerance
Dimension
Tolerance
112M
F215
215
180
+0.014
-0.011
250
14
4
15
+0.43
0
M12
4
32
+0.018
+0.002
-
80
±0.37
-
10
0
-0.036
8
0
-0.09
10
0
-0.036
27
0
-0.2
720 640 220
14
132M
F265
265
230
+0.016
-0.013
300
38
33
750 670 230
160M
F300
300
250
350
18
5
19
+0.52
0
M16
48
110
±0.43
14
0
-0.043
9
14
0
-0.043
42.5
930 820 260
18
160L
980 870
180L
55
-
M36×3
82
19.9
1050 940 280
200L
F400
400
350
±0.018
450
20
8
60
M42×3
140
±0.50
105
16
10
16
21.4
1230 1090 320
20
225M
65
23.9
1320 1180
250M
F500
500
450
±0.020
550
22
70
M48×3
18
11
0
-0.11
18
25.4
1550 1410 355
22
 
    
     
Introduction | Culture | Certification | Quality Control | Technological Process | Equipment | Feedback
Copyright © 2012 Wuxi New Great Power Electromotor Co.,Ltd. All Rights Reserved.
Address:No. 19 Huichang Rd, Huishan Econimic Development Zone, Wuxi City  Zip:214177
Web:http://www.wuxingp.com Email:ngp@wuxingp.com 【You are Visitors】

The Wuxi Networks: Juntong.net
SU ICP BEI:11042217-1