CHOOSE YOUR LANGUAGE: ENGLISH | Chinese
 
 
Product Catalog
 
Product Catalog
Applications
 
Contact us
Free Service Hotline
4006-099-066
Tel:+86-510-83760999
Fax:+86-510- 83621022
               +86-510- 83762288
   Web:http://www.wuxingp.com
  Email:ngp@wuxingp.com
 
Product Introduction
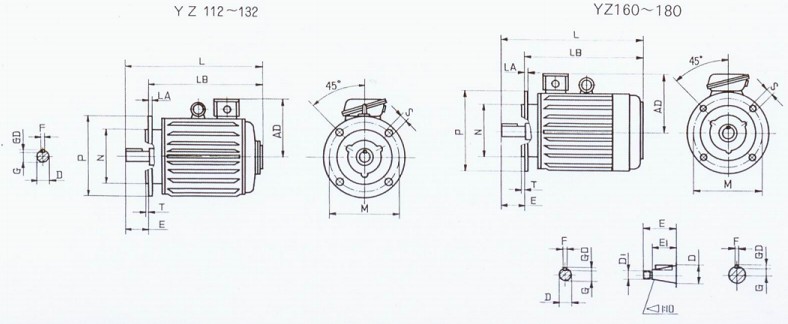
4.IM3001 and IM3003 Horizontal Flange-Mounted Motor Without Foot YZ112-180
4.IM3001 and IM3003 Horizontal Flange-Mounted Motor Without Foot YZ112-180

 mm

Frame
Mounting Dimension & Tolerance
Overall Dimension
Flange symbol
M
N
P
LA
T
S
Screw
D
D1
E
E1
Key
key way
L
LB
AD
Dimension
Tolerance
Dimension
Tolerance
Diamesion
Amount
Dimension
Tolerance
Dimension
Tolerance
F(h9)
GD
F(N9)
G
Dimension
Tolerance
Dimension
Tolerance
Dimension
Tolerance
Dimension
Tolerance
112M F215 215 180 +0.014
-0.011
250 14 4 15 +0.43
0
M12 4 32 +0.018

+0.002
- 80 ±0.37 - 10 0
-0.036
8 0
-0.09
10 0
-0.036
27 0
-0.2
430 350 220
132M F265 265 230 +0.016
-0.013
300 38 33 495 415 230
160M F300 300 250 350 18 5 19 +0.52
0
M16 48 110 ±0.43 14 0
-0.043
9 14 0
-0.043
42.5 700 590 250
160L 743 633
180L 55   M36×3 82 19.9 735 625 280
    
     
Introduction | Culture | Certification | Quality Control | Technological Process | Equipment | Feedback
Copyright © 2012 Wuxi New Great Power Electromotor Co.,Ltd. All Rights Reserved.
Address:No. 19 Huichang Rd, Huishan Econimic Development Zone, Wuxi City  Zip:214177
Web:http://www.wuxingp.com Email:ngp@wuxingp.com 【You are Visitors】

The Wuxi Networks: Juntong.net
SU ICP BEI:11042217-1