CHOOSE YOUR LANGUAGE: ENGLISH | Chinese
 
 
Product Catalog
 
Product Catalog
Applications
 
Contact us
Free Service Hotline
4006-099-066
Tel:+86-510-83760999
Fax:+86-510- 83621022
               +86-510- 83762288
   Web:http://www.wuxingp.com
  Email:ngp@wuxingp.com
 
Product Introduction
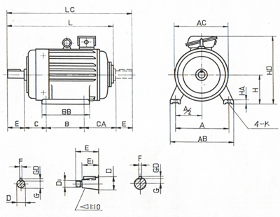
2.IM1001、IM1003 and IM1002、IM1004 Horizontal Foot-Mounted Motor Without Flange YZ112-250
2.IM1001、IM1003 and IM1002、IM1004 Horizontal Foot-Mounted Motor Without Flange YZ112-250

 mm

Frame
Mounting Dimension & Tolerance
Overall Dimension
H
A
A/2
B
Difference of B on two sides
C
Difference of C on two sides
CA
K
Dia. Of screw
D
D1
E
E1
Key
key way
AC
AB
HD
BB
L
LC
HA
Dimension
Tolerance
Dimension
Tolerance
Dimension
Tolerance
Dimension
Tolerance
Dimension
Tolerance
Dimension
Tolerance
Dimension
Tolerance
Dimension
Tolerance
F(h9)
GD
F(h9)
G
Dimension
Tolerance
Dimension
Tolerance
Dimension
Tolerance
尺寸
Tolerance
112M
112
0
-0.5
190
±0.70
95
±0.50
140
±0.70
0.70
70
±2.0
0.30
135
12
+0.43
0
M10
32
+0.018
+0.002
80
±0.37
10
0
-0.036
8
0
-0.09
10
0
-0.036
27
0
-0.2
245
250
330
235
400
505
15
132M
132
216
108
178
89
150
38
33
285
275
360
260
495
577
17
160M
160
254
±1.05
127
±0.75
210
±1.05
1.05
108
±3.0
0.45
180
15
M12
48
110
±0.43
14
0
-0.043
9
14
0
-0.043
42.5
325
320
420
290
608
718
20
160L
254
335
650
762
180L
180
279
139.5
279
121
55
M36×3
82
19.9
360
360
460
380
685
800
22
200L
200
318
159
305
133
210
19
+0.52
0
M16
60
M42×3
140
±0.50
105
16
10
16
21.4
405
405
510
400
780
928
25
225M
225
356
178
311
149
258
65
23.9
430
455
545
410
850
998
28
250M
250
406
±1.40
203
±1.0
349
±1.40
1.40
168
±4.0
0.60
295
24
M20
70
M48×3
18
11
0
-0.11
18
25.4
480
515
605
510
935
1092
30
    
     
Introduction | Culture | Certification | Quality Control | Technological Process | Equipment | Feedback
Copyright © 2012 Wuxi New Great Power Electromotor Co.,Ltd. All Rights Reserved.
Address:No. 19 Huichang Rd, Huishan Econimic Development Zone, Wuxi City  Zip:214177
Web:http://www.wuxingp.com Email:ngp@wuxingp.com 【You are Visitors】

The Wuxi Networks: Juntong.net
SU ICP BEI:11042217-1