| 免费服务热线 |
|
| 4006-099-066 |
|
电话:0510-83760999 |
|
传真:0510- 83621022 83762288 |
|
|
网址:http://www.wuxingp.com |
|
|
Email:ngp@wuxingp.com |
|
|
 |
|
 |
| 产品介绍 |
| |
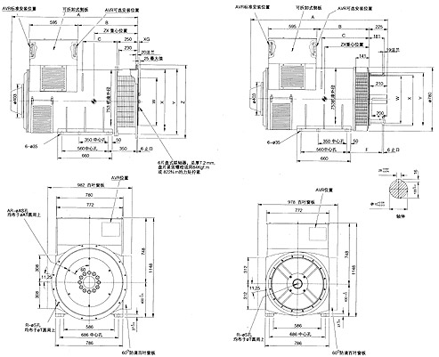
| DL6发电机安装尺寸 |
|
| DL6外形图 Dimensions |
DL6电气数据 Electricity data |
 |
| |
|
尺寸
Dimensions
|
|
铁芯 Core
|
A
|
B
|
C
|
Cof G
|
|
DL6C
|
1548
|
726
|
405
|
590
|
|
DL6D
|
600
|
|
DL6E
|
610
|
|
DL6F
|
1649
|
826
|
464
|
625
|
|
|
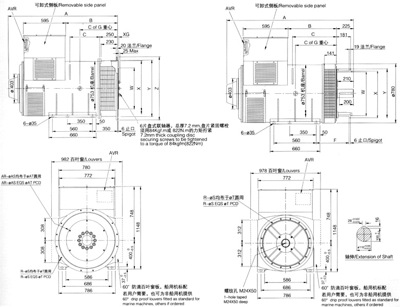
尺寸
Dimensions
|
|
铁芯 Core
|
A
|
B
|
C
|
F
|
Cof G
|
|
DL6C
|
1688
|
640
|
570
|
446
|
590
|
|
DL6D
|
600
|
|
DL6E
|
610
|
|
DL6F
|
1789
|
741
|
630
|
625
|
|
|
|
|
法兰式过渡接套
Flange Adaptors
|
|
SAE
|
R
|
S
|
T
|
X
|
Y
|
Z
|
|
1/2
|
12
|
14
|
619.5
|
559
|
584.1
|
810
|
|
0
|
16
|
14
|
679.5
|
632
|
647.6
|
810
|
|
00
|
16
|
14
|
851.0
|
772
|
787.3
|
883
|
|
|
法兰式过渡接套
Flange Adaptors
|
|
SAE
|
R
|
S
|
T
|
W
|
X
|
Y
|
|
0
|
16
|
14
|
679.5
|
621
|
647.6
|
711
|
|
1/2
|
12
|
14
|
619.1
|
568
|
584.1
|
648
|
|
00
|
16
|
14
|
851
|
768
|
787.3
|
882
|
|
| |
|
|
盘片式联轴器
Disc Couplings
|
|
SAE
|
XG
|
AR
|
AS
|
AT
|
W
|
|
24
|
0
|
12
|
20.7
|
692.0
|
733.3
|
|
21
|
0
|
12
|
16.7
|
641.3
|
673.02
|
|
18
|
15.87
|
6
|
16.7
|
543.0
|
571.42
|
|
14
|
25.4
|
8
|
13.5
|
438.1
|
466.64
|
|
|
|  |
|
|