新大力主页
|
加入收藏
|
设为主页
|
企业邮局
CHOOSE YOUR LANGUAGE:
ENGLISH |
简体中文
欢迎您访问无锡新大力电机有限公司的企业网站
公司首页
企业简介
公司概要
企业文化
荣誉资质
产品展示
产品介绍
应用领域
品质保证
生产设备
质量控制
工艺流程
新闻动态
行业动态
公司新闻
售后服务
招才纳贤
在线招聘
联系我们
客户留言
产品展示
产品目录 Product
Catalog
YLEJ系列力矩三相异步电动机
概述
电动机额定输出条件
电动机型号及主要技术参数
电动机外形安装尺寸
TYCP系列稀土永磁变频调速电动机
概述
产品结构与主要特点
性能参数
安装及外形尺寸
订货须知
YZR,YZ系列起重及冶金用电动机
概述
结构
工作制
技术数据
安装及外型尺寸
附录
YZP系列起重及冶金用变频调速三相异步电动机
概述
结构
安装及外型尺寸
技术数据
YP2(H112-315)变频调速三相异步电动机
概述
结构
技术数据
安装及外型尺寸
YX3系列(IP55)高效率三相异步电动机
概述
技术数据
电动车电机
概述
结构
部分产品
技术数据
外形及安装尺寸图
应用领域
YBZ,YBZS系列起重用隔爆型三相异步电动机
概述
工作方式与技术数据
安装及外形尺寸
YZRE,YZE系列电磁制动电动机
YZPE系列电磁制动变频调速电动机
YZRW系列冶金及起重用涡流制动绕线转子三相异步电动机
概述
工作制
安装及外型尺寸
YBZE,YBZSE系列起重用隔爆型电磁制动三相异步电动机
概述
工作方式与技术数据
结构
安装及外形尺寸
YBZR 系列起重用隔爆型绕线转子三相异步电动机
概述
电动机的工作方式与技术数据
结 构
电动机的安装尺寸与外形尺寸
YG系列辊道用三相异步电动机
概述
主要技术参数
外形尺寸及安装尺寸
应用领域
联系我们 Contact us
免费服务热线
4006-099-066
电话:0510-83760999
传真:0510- 83621022 83762288
网址:http://www.wuxingp.com
Email:ngp@wuxingp.com
产品介绍
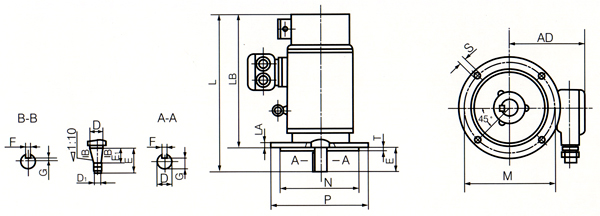
3.IM3011及IM3013立式安装、机座不带底脚、端盖有凸缘、轴伸向下的电动机YBZE、YBZSE112M-250M
注:1)圆锥形轴伸按GB/T 757的规定进行检查。2)P尺寸为极限尺寸。3)R为凸缘配合面至轴伸肩的距离,其极限偏差包括轴的窜动。
公司概要
|
企业文化
|
荣誉资质
|
品质保证
|
工艺流程
|
生产设备
|
客户留言
打印该页
|
发送邮局
|
返回顶部
Copyright © 2012 无锡新大力电机有限公司 Wuxi New Great Power Electromotor Co.,Ltd. All Rights Reserved.
地址:无锡市惠山经济开发区惠畅路19号 邮编:214177
网址:http://www.wuxingp.com Email:ngp@wuxingp.com 【您是第 位访问者】
无锡网络公司:君通科技
苏ICP备11042217号-1
友情链接:
平板硫化机
矫直机
化工设备
蒸汽锅炉
风电齿轮箱
气浮机
IGBT制造
滤筒
不锈钢反应釜
船用锅炉
离心铸造
拉丝机
防腐储罐
灌装封尾机